LEMON Manuals: Even more car manuals for everyone
Home >> Acura >> 2009 >> RL >> Repair and Diagnosis >> Engine Performance >> System >> PGM-FI System >> CKP Sensor Replacement

CKP Sensor Replacement

  1. Move the auto-tensioner to remove tension from the drive belt, then remove the belt (see TIMING BELT REMOVAL ).
  2. Remove the crankshaft pulley (see CRANKSHAFT PULLEY REMOVAL AND INSTALLATION ).
  3. Remove the upper and lower timing belt covers from the engine (see TIMING BELT REMOVAL ).
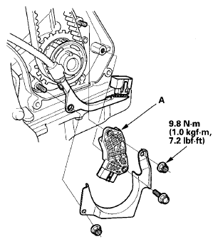
  4. Remove CKP sensor A/B (A) from the oil pump.
    Fig 1: CKP Sensor A/B With Torque Specifications
    G06163936Courtesy of AMERICAN HONDA MOTOR CO., INC.
  5. Install the parts in the reverse order of removal.
  6. Clear the CKP pattern with the HDS.
  7. Do the CKP pattern learn procedure (see HDS CLEAR COMMAND ).