LEMON Manuals: Even more car manuals for everyone
Home >> Acura >> 2009 >> RL >> Repair and Diagnosis >> Engine Performance >> Ignition System >> Circuit Diagram

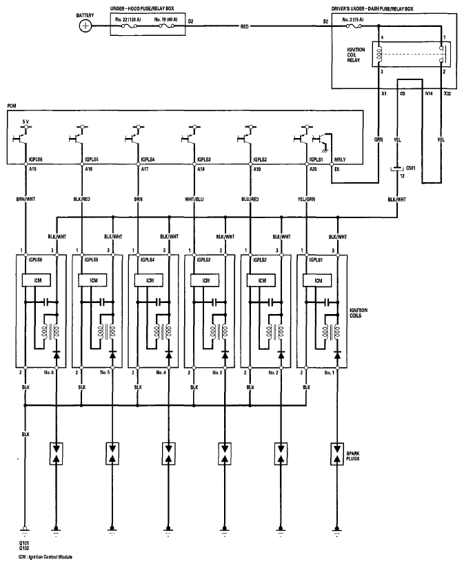
Circuit Diagram

Fig 1: Ignition System Circuit Diagram
G06163220Courtesy of AMERICAN HONDA MOTOR CO., INC.