LEMON Manuals: Even more car manuals for everyone
Home >> Acura >> 2009 >> MDX >> Repair and Diagnosis >> Engine Performance >> System >> Advanced Diagnostics >> DTC P1745: Problem in Shift Control System; Servo Control Valve Stuck OFF or Servo Valve Stuck OFF >> Notes

DTC P1745: Problem in Shift Control System; Servo Control Valve Stuck OFF or Servo Valve Stuck OFF: Notes

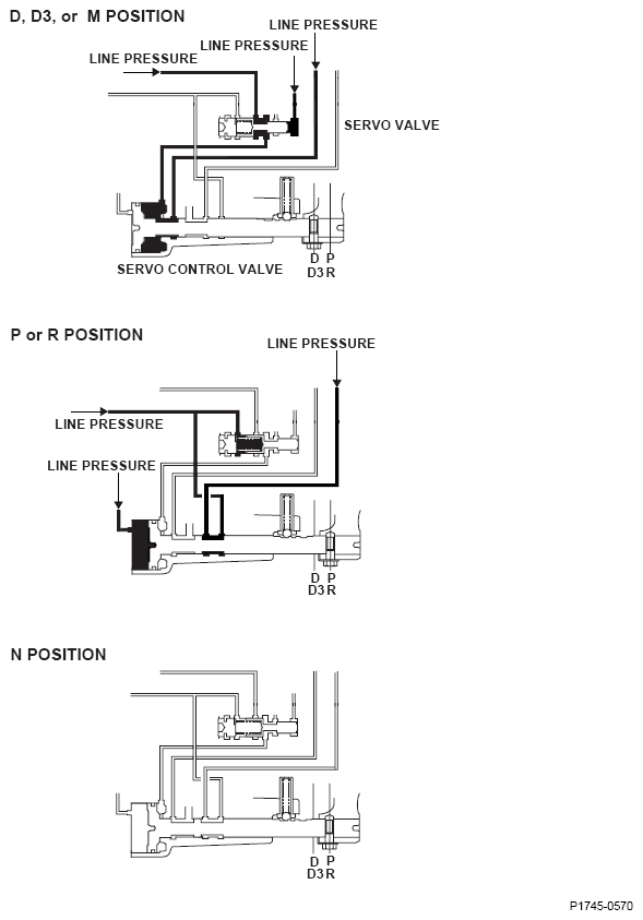
Fig 1: Shift Control - System Diagram (Servo Control Valve)
G08518941Courtesy of AMERICAN HONDA MOTOR CO., INC.
Fig 2: Gear Position Versus Shift Status Graph
G04836446Courtesy of AMERICAN HONDA MOTOR CO., INC.
HYDRAULIC PRESSURE SUPPLY TO CLUTCH BY SHIFT SOLENOID VALVE OUTPUT (D POSITION)

Clutch Shift solenoid valve   In gear 1st 1st - 2nd 2nd 2nd - 3rd 3rd 3rd - 4th 4th 4th - 5th 5th
A OFF OFF ON ON ON ON ON OFF OFF OFF
B ON ON ON ON ON OFF OFF OFF OFF ON
C OFF ON ON OFF ON ON OFF OFF ON ON
D OFF OFF OFF/ON OFF/ON OFF/ON OFF/ON OFF/ON OFF/ON OFF/ON OFF/ON
1st Clutch CPC C LINE LINE LINE LINE LINE LINE LINE LINE LINE
2nd Clutch CPC A   CPC A LINE CPC A   CPC C      
3rd Clutch     CPC B   CPC B LINE CPC B      
4th Clutch             CPC A LINE CPC A  
5th Clutch                 CPC B LINE
CPC: Clutch Pressure Control pressure