LEMON Manuals: Even more car manuals for everyone
Home >> Acura >> 2009 >> MDX >> Repair and Diagnosis >> Engine Performance >> System >> Advanced Diagnostics >> DTC P0506: Idle Control System RPM Lower Than Expected >> Notes

DTC P0506: Idle Control System RPM Lower Than Expected: Notes

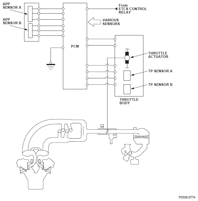
Fig 1: Idle Control System Diagram
G08518792Courtesy of AMERICAN HONDA MOTOR CO., INC.
Fig 2: Identifying Idle Control System Normal Operation And System Failure Graph
G04836268Courtesy of AMERICAN HONDA MOTOR CO., INC.