LEMON Manuals: Even more car manuals for everyone
Home >> Acura >> 2009 >> MDX >> Repair and Diagnosis >> Engine Performance >> System >> Advanced Diagnostics >> DTC P0339: Crankshaft Position (CKP) Sensor A Circuit Intermittent Interruption >> Notes

DTC P0339: Crankshaft Position (CKP) Sensor A Circuit Intermittent Interruption: Notes

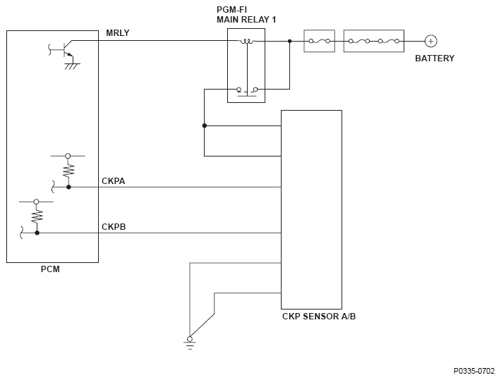
Fig 1: Crankshaft Position (CKP) Sensor A - Circuit Diagram (Intermittent Interruption)
G08518750Courtesy of AMERICAN HONDA MOTOR CO., INC.