LEMON Manuals: Even more car manuals for everyone
Home >> Acura >> 2009 >> CSX Base, Standard >> Repair and Diagnosis >> Engine Performance >> System >> PGM-FI System >> Injector Replacement

Injector Replacement

  1. Relieve fuel pressure (see FUEL PRESSURE RELIEVING ).
  2. Remove the engine cover.
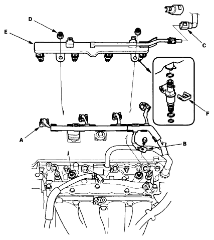
  3. Disconnect the connectors (A) from the injectors.
    Fig 1: Identifying Quick-Connect Fitting, Ground Cable Bolt And Injectors
    G06264628Courtesy of AMERICAN HONDA MOTOR CO., INC.

    * : This illustration shows K20Z2 engine

  4. Remove the ground cable bolt (G101) (B).
  5. Disconnect the quick-connect fitting (C).
  6. Remove the fuel rail mounting nuts (D) from the fuel rail (E).
  7. Remove the fuel rail and the injectors from the injector base.
  8. Remove the injector clip (F) from the injector.
  9. Remove the injector from the fuel rail.
  10. Coat the new O-rings(A) with clean engine oil, and insert the injectors (B) into the fuel rail (C).
    Fig 2: Injector O-Rings And Fuel Rail Mounting Nuts With Torque Specifications
    G06264629Courtesy of AMERICAN HONDA MOTOR CO., INC.

    * : This illustration shows K20Z2 engine

  11. Install the injector clip (D).
  12. Coat the injector O-rings (E) with clean engine oil.
  13. Install the fuel rail and the injector in the injector base (F).
  14. Install the fuel rail mounting nuts (G).
  15. Connect the connectors on the injectors, and reinstall the ground cable bolt (G101).
  16. Connect the quick-connect fittings.
  17. Turn the ignition switch ON (II), but do not operate the starter. After the fuel pump runs for about 2 seconds, the fuel rail is pressurized. Repeat this two or three times, then check for fuel leakage.
  18. Install the engine cover.