LEMON Manuals: Even more car manuals for everyone
Home >> Acura >> 2009 >> CSX Base, Standard >> Repair and Diagnosis >> Engine Performance >> System >> Fuel And Emissions Systems >> System Description >> ECM/PCM Circuit Diagram (K20Z2 engine)

ECM/PCM Circuit Diagram (K20Z2 engine)

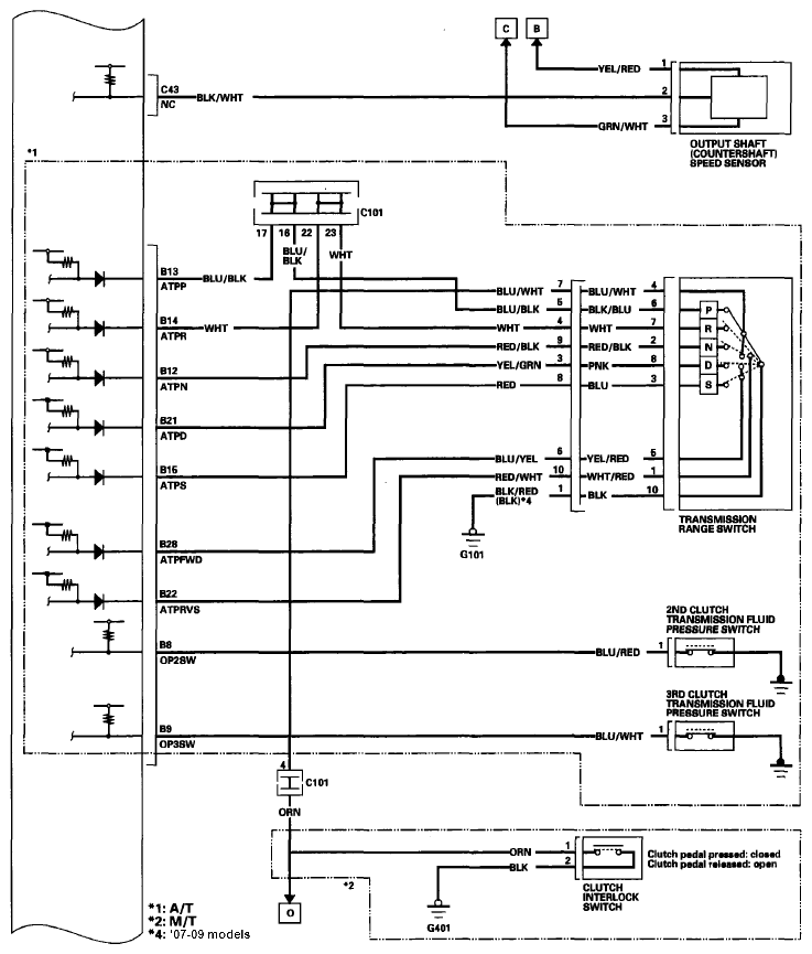
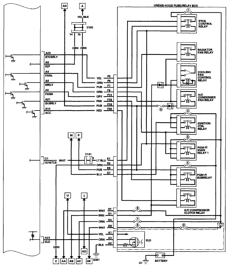
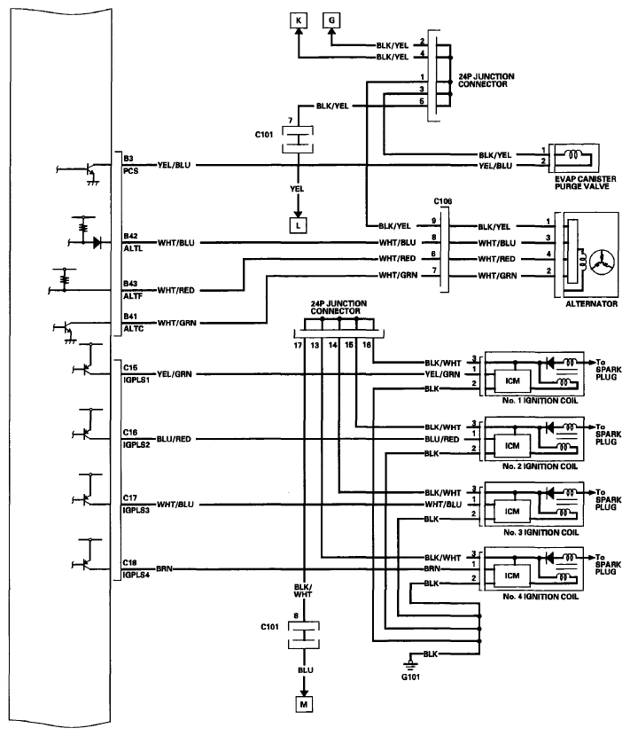
Fig 1: ECM/PCM - Circuit Diagram (K20Z2 Engine) (1 Of 11)
G06265787
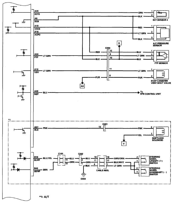
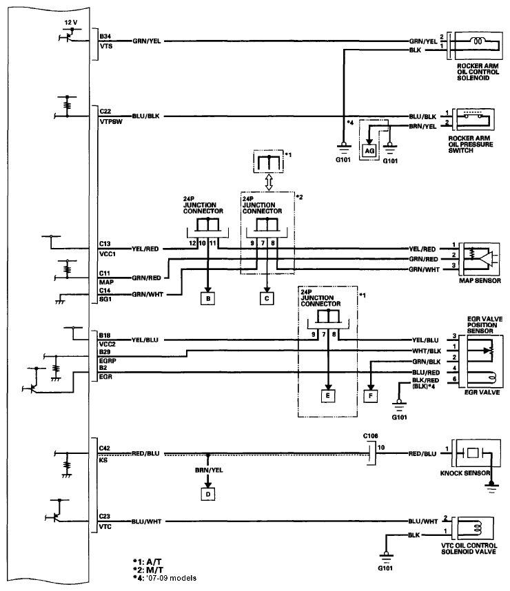
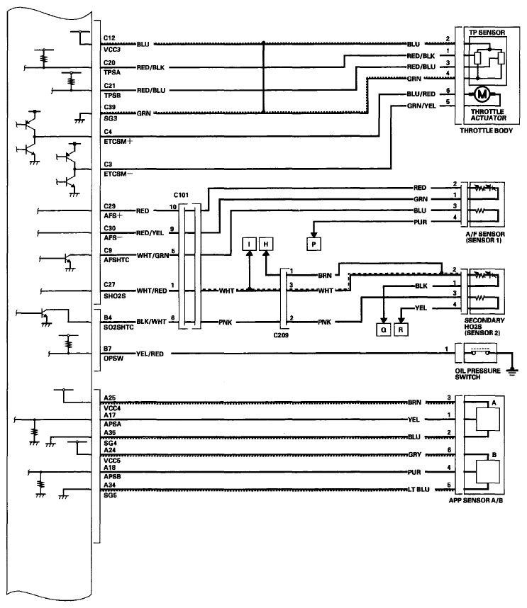
Fig 2: ECM/PCM - Circuit Diagram (K20Z2 Engine) (2 Of 11)
G06265788
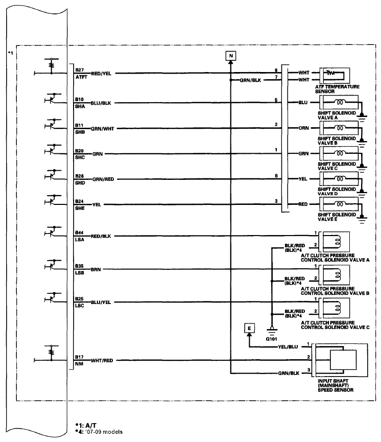
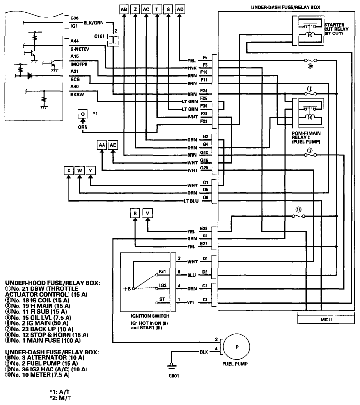
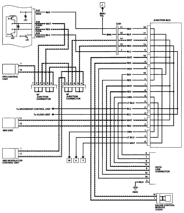
Fig 3: ECM/PCM - Circuit Diagram (K20Z2 Engine) (3 Of 11)
G06265789
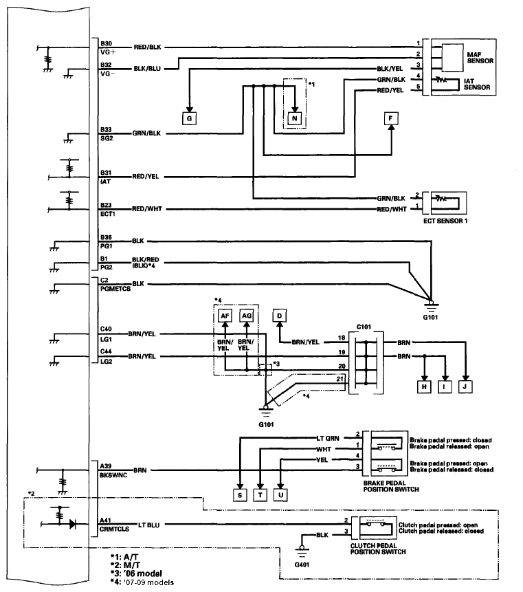
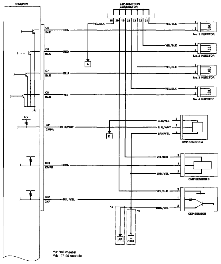
Fig 4: ECM/PCM - Circuit Diagram (K20Z2 Engine) (4 Of 11)
G06265790
Fig 5: ECM/PCM - Circuit Diagram (K20Z2 Engine) (5 Of 11)
G06265791
Fig 6: ECM/PCM - Circuit Diagram (K20Z2 Engine) (6 Of 11)
G06265792
Fig 7: ECM/PCM - Circuit Diagram (K20Z2 Engine) (7 Of 11)
G06265793
Fig 8: ECM/PCM - Circuit Diagram (K20Z2 Engine) (8 Of 11)
G06265794
Fig 9: ECM/PCM - Circuit Diagram (K20Z2 Engine) (9 Of 11)
G06265795
Fig 10: ECM/PCM - Circuit Diagram (K20Z2 Engine) (10 Of 11)
G06265796
Fig 11: ECM/PCM - Circuit Diagram (K20Z2 Engine) (11 Of 11)
G06265797