LEMON Manuals: Even more car manuals for everyone
Home >> Acura >> 2007 >> TSX Standard >> Repair and Diagnosis >> Engine Performance >> System >> Advanced Diagnostics >> DTC U0107: Lost Communication With Throttle Actuator Control Module >> Notes

DTC U0107: Lost Communication With Throttle Actuator Control Module: Notes

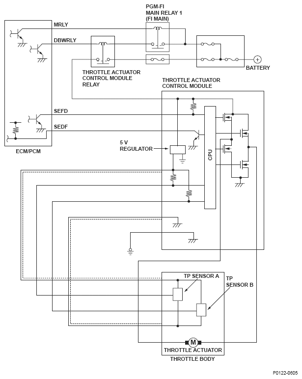
Fig 1: Throttle Position (TP) Sensor A - Circuit Diagram
G04838963