LEMON Manuals: Even more car manuals for everyone
Home >> Acura >> 2007 >> TSX Standard >> Repair and Diagnosis >> Engine Performance >> System >> Advanced Diagnostics >> DTC P0506: Idle Control System RPM Lower Than Expected >> Notes

DTC P0506: Idle Control System RPM Lower Than Expected: Notes

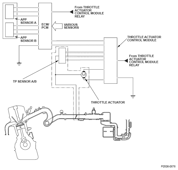
Fig 1: Idle Control System Diagram
G04839018
Fig 2: Idle Control System Normal And System Failure Operation Graph
G04836268