LEMON Manuals: Even more car manuals for everyone
Home >> Acura >> 2007 >> TL Base >> Repair and Diagnosis >> Engine Performance >> System >> Advanced Diagnostics >> DTC P2552: Throttle Actuator Control Module Relay Malfunction >> Notes

DTC P2552: Throttle Actuator Control Module Relay Malfunction: Notes

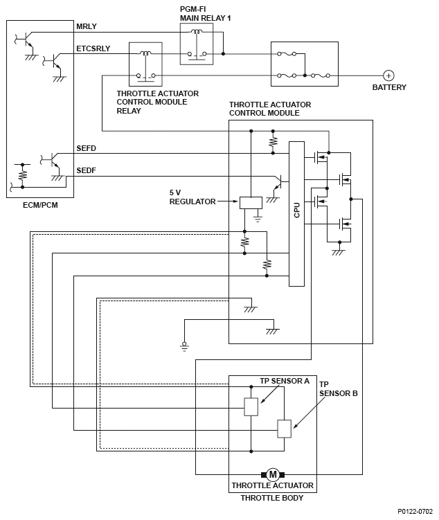
Fig 1: Throttle Actuator Control Module Relay Circuit Diagram
G04836514