LEMON Manuals: Even more car manuals for everyone
Home >> Acura >> 2007 >> TL Base >> Repair and Diagnosis >> Engine Performance >> System >> Advanced Diagnostics >> DTC P1745: Problem in Shift Control System; Servo Control Valve Stuck OFF or Servo Valve Stuck OFF >> Notes

DTC P1745: Problem in Shift Control System; Servo Control Valve Stuck OFF or Servo Valve Stuck OFF: Notes

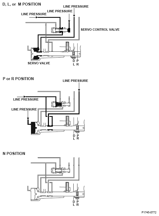
Fig 1: Shift Control System Diagram
G04836755
Fig 2: Gear Position VS Shift Status Graph
G04823085
Fig 3: Shift Solenoid Valve Output Reference Chart (D Position)
G04836757