LEMON Manuals: Even more car manuals for everyone
Home >> Acura >> 2007 >> TL Base >> Repair and Diagnosis >> Engine Performance >> System >> Advanced Diagnostics >> DTC P0966: Problem in A/T Clutch Pressure Control Solenoid Valve B Circuit >> Notes

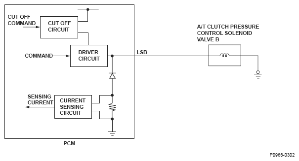
DTC P0966: Problem in A/T Clutch Pressure Control Solenoid Valve B Circuit: Notes

Fig 1: A/T Clutch Pressure Control Solenoid Valve B Circuit Diagram
G04816875
Fig 2: A/T Clutch Pressure Control Solenoid Valve B Current Graph
G04816659