LEMON Manuals: Even more car manuals for everyone
Home >> Acura >> 2007 >> TL Base >> Repair and Diagnosis >> Engine Performance >> System >> Advanced Diagnostics >> DTC P0627: Fuel Pump Control Module System Malfunction (J35A8) >> Notes

DTC P0627: Fuel Pump Control Module System Malfunction (J35A8): Notes

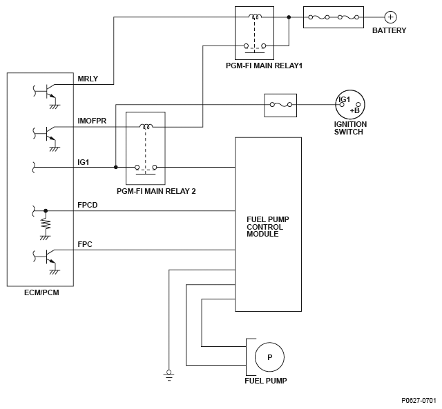
Fig 1: Fuel Pump Control Module System - Circuit Diagram (J35A8)
G04836601