LEMON Manuals: Even more car manuals for everyone
Home >> Acura >> 2007 >> TL Base >> Repair and Diagnosis >> Engine Performance >> System >> Advanced Diagnostics >> DTC P0506: Idle Control System RPM Lower Than Expected >> Notes

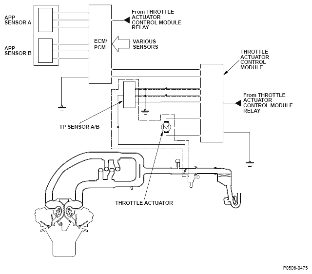
DTC P0506: Idle Control System RPM Lower Than Expected: Notes

Fig 1: Idle Control System Diagram - RPM Lower Than Expected
G04817024
Fig 2: Idle Control System Normal Operation And System Failure Graph
G04818011