LEMON Manuals: Even more car manuals for everyone
Home >> Acura >> 2007 >> TL Base >> Repair and Diagnosis >> Engine Performance >> Ignition System >> Circuit Diagram

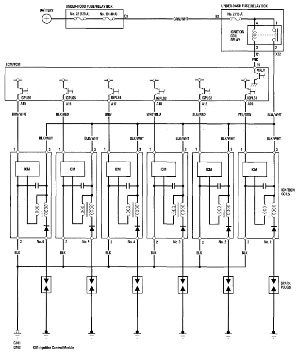
Circuit Diagram

Fig 1: Ignition System - Circuit Diagram
G05457435Courtesy of AMERICAN HONDA MOTOR CO., INC.