LEMON Manuals: Even more car manuals for everyone
Home >> Acura >> 2007 >> TL Base >> Repair and Diagnosis >> Accessories & Equipment >> Memory Modules >> Driver Position Memory System (DPMS) >> Circuit Diagram - Power Seat

Circuit Diagram - Power Seat

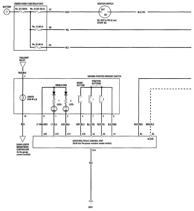
Fig 1: Power Seat - Circuit Diagram (1 Of 4)
G05462890Courtesy of AMERICAN HONDA MOTOR CO., INC.
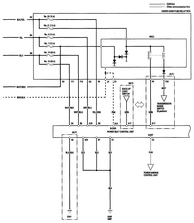
Fig 2: Power Seat - Circuit Diagram (2 Of 4)
G05462891Courtesy of AMERICAN HONDA MOTOR CO., INC.
Fig 3: Power Seat - Circuit Diagram (3 Of 4)
G05462892Courtesy of AMERICAN HONDA MOTOR CO., INC.
Fig 4: Power Seat - Circuit Diagram (4 Of 4)
G05462893Courtesy of AMERICAN HONDA MOTOR CO., INC.