LEMON Manuals: Even more car manuals for everyone
Home >> Acura >> 2007 >> RL >> Repair and Diagnosis (Single Page) >> Steering >> Power Steering >> Power Steering System & Electronic Power Steering System >> Electronically Controlled Power Steering System >> System Description >> System Outline >> ECPS control unit

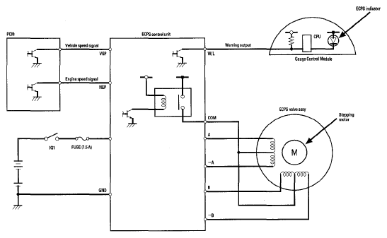
ECPS control unit

The ECPS control unit controls the stepping motor built inside the ECPS valve assy depending on the engine speed signal and the vehicle speed signal from the PCM. When a failure occurs, this unit stores a DTC and sends a signal to the gauge assembly to turn on the ECPS indicator.

Fig 1: ECPS Control Unit - Circuit Diagram
G05495057Courtesy of AMERICAN HONDA MOTOR CO., INC.