LEMON Manuals: Even more car manuals for everyone
Home >> Acura >> 2007 >> RL >> Repair and Diagnosis (Single Page) >> Steering >> Manual Steering >> Power Steering System & Electronic Power Steering System >> Power Steering >> Pump Overhaul >> Exploded View

Exploded View

Replace the pump as an assembly if the parts indicated with an asterisk (*) are worn or damaged.

Fig 1: Exploded View Of Power Steering Pump With Torque Specifications
G05494918Courtesy of AMERICAN HONDA MOTOR CO., INC.

Disassembly 

NOTE: Refer to the EXPLODED VIEW  as needed during the following procedure.
  1. Drain the fluid from the pump.
  2. Remove the power steering pump (see PUMP REPLACEMENT  ).
  3. Remove the inlet joint and O-ring.
  4. Loosen the flow control valve cap with a hex wrench, and remove it and the O-ring, the flow control valve and spring.
  5. Remove the pump cover and pump cover seal.
  6. Remove the snap ring, then remove the outer side plate, cam ring, rotor, vanes, side plate, and O-rings.
  7. Remove the snap ring, then remove the pump driveshaft by tapping the shaft end with the plastic hammer.
  8. Remove the seal from the pump housing.

    Inspection 

  9. Check the flow control valve for wear, burrs, and other damage to the edges of the grooves in the valve.
    Fig 2: Identifying Flow Control Valve
    G05494919Courtesy of AMERICAN HONDA MOTOR CO., INC.
  10. Inspect the bore of the flow control valve on the pump housing for scratches and wear.
  11. Slip the flow control valve back into the pump housing, and check that it moves in and out smoothly. If OK, go to step 12; if not, replace the pump as an assembly. The flow control valve (A) is not available separately.
    Fig 3: Identifying Flow Control Valve
    G05494920Courtesy of AMERICAN HONDA MOTOR CO., INC.
  12. Attach a hose (A) to the end of the flow control valve (B) as shown. Then submerge the flow control valve in a container of power steering fluid or solvent (C), and blow in the hose.
    • If air bubbles leak through the valve at less than 98 kPa (1.0 kgf/cm2 , 14.2 psi), replace the pump as an assembly. The flow control valve is not available separately.
    • If the flow control valve is OK, set it aside for reassembly later.
      Fig 4: Inspecting Flow Control Valve In A Container Of Power Steering Fluid Or Solvent
      G05494921Courtesy of AMERICAN HONDA MOTOR CO., INC.

      Reassembly 

  13. Install the oil seal (A) (with its grooved side facing in) into the pump housing by hand first. Press the oil seal with the appropriate size socket wrench (B) as shown.
    Fig 5: Installing Oil Seal Into The Pump Housing
    G05494922Courtesy of AMERICAN HONDA MOTOR CO., INC.
  14. Install the pulley (with pump driveshaft) in the pump housing.
  15. Coat the new 16.8 mm O-ring (A) with power steering fluid, and position it in the bottom of the pump housing.
    Fig 6: Identifying O-Ring
    G05494923Courtesy of AMERICAN HONDA MOTOR CO., INC.
  16. Coat the new 47.2 mm O-ring (A) with power steering fluid, and position it in the bottom of the pump housing.
    Fig 7: Identifying O-Ring, Plate, Mark And Slot
    G05494924Courtesy of AMERICAN HONDA MOTOR CO., INC.
  17. Set the plate (B) with its "H" mark (C) facing up, and align the slot (D) in the pump housing.
  18. Set the pump cam ring (A) with its "MS" mark (B) facing down, and align the slot (C) in the pump housing.
    Fig 8: Identifying Pump Cam Ring, Mark And Slot
    G05494925Courtesy of AMERICAN HONDA MOTOR CO., INC.
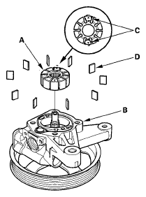
  19. Assemble pump rotor (A) to the pump housing (B) with its "Δ " mark (C) facing up.
    Fig 9: Identifying Pump Rotor, Pump Housing And Mark
    G05494926Courtesy of AMERICAN HONDA MOTOR CO., INC.
  20. Set the 10 vanes (D) in the grooves in the rotor.
  21. Install the snap ring (A).
    Fig 10: Identifying Snap Ring
    G05494927Courtesy of AMERICAN HONDA MOTOR CO., INC.
  22. Coat the new pump cover seal (A) with power steering fluid, and position it in the pump housing.
    Fig 11: Identifying Pump Cover Seal And Pump Cover
    G05494928Courtesy of AMERICAN HONDA MOTOR CO., INC.
  23. Install the pump cover (B) in the pump housing. Torque the bolts in a criss-cross pattern in two or more steps.
  24. Coat the flow control valve (A) with power steering fluid, then install it and the spring (B) in the pump housing.
    Fig 12: Identifying Flow Control Valve And Spring
    G05494929Courtesy of AMERICAN HONDA MOTOR CO., INC.
  25. Coat the new 19.8 mm O-ring (C) with power steering fluid, and install it on the flow control valve cap (D), then install the cap on the pump housing, and tighten it to the specified torque.
  26. Coat the new 15.8 mm O-ring (A) with power steering fluid, and install it on the inlet joint (B). Install the inlet joint on the pump housing.
    Fig 13: Identifying O-Ring And Inlet Joint
    G05494930Courtesy of AMERICAN HONDA MOTOR CO., INC.
  27. Check that the pump turns smoothly by turning the pulley by hand. If it turns hard, loosen the four flange bolts on the cover, then retighten them in same manner as in step  23. Turn the pump again by hand.