LEMON Manuals: Even more car manuals for everyone
Home >> Acura >> 2007 >> RDX >> Repair and Diagnosis >> Engine Performance >> System >> Advanced Diagnostics >> DTC P2101: Electronic Throttle Control System (ETCS) Malfunction >> Notes

DTC P2101: Electronic Throttle Control System (ETCS) Malfunction: Notes

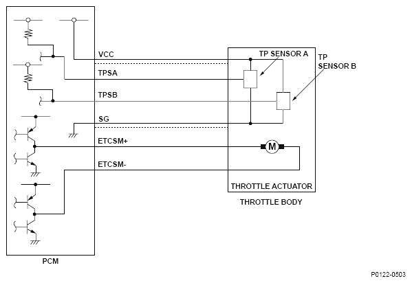
Fig 1: DTC P2101 Electronic Throttle Control System (ETCS) Circuit Diagram
G04836448