LEMON Manuals: Even more car manuals for everyone
Home >> Acura >> 2007 >> RDX >> Repair and Diagnosis >> Engine Performance >> System >> Advanced Diagnostics >> DTC P145A: Evaporative Emission (EVAP) System Incorrect Purge Flow Detected >> Notes

DTC P145A: Evaporative Emission (EVAP) System Incorrect Purge Flow Detected: Notes

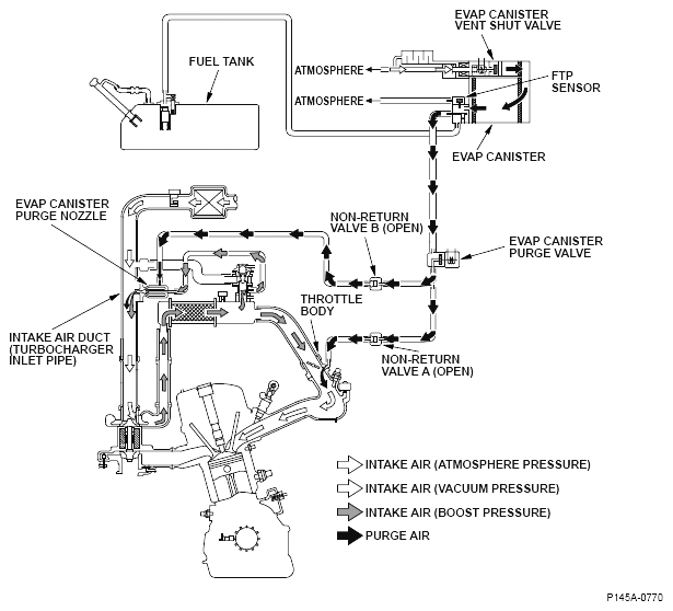
Fig 1: DTC P145A Evaporative Emission (EVAP) System Air Flow Diagram
G04836259
Fig 2: Purge Flow Vs Intake Manifold Boost Pressure Graph
G04836260
EVAPORATIVE EMISSION PURGE FLOW FAILURE CONDITION

Negative pressure area purge flow Supercharging area purge flow Purge flow adverse current Failure condition
Yes Yes Normal determination Purge line normal, EVAP canister purge valve normal
Yes Yes Abnormal determination Non-return valve A open failure
No Yes - Negative pressure area purge line failure
Yes No - Boost area purge line failure
No No - Purge line failure or EVAP canister purge valve OPEN failure