LEMON Manuals: Even more car manuals for everyone
Home >> Acura >> 2007 >> RDX >> Repair and Diagnosis >> Engine Performance >> System >> Advanced Diagnostics >> DTC P0627: Fuel Pump Control Module System Malfunction >> Notes

DTC P0627: Fuel Pump Control Module System Malfunction: Notes

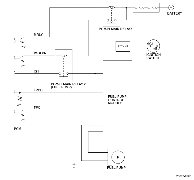
Fig 1: DTC P0627 Fuel Pump Control Module System Circuit Diagram
G04836284