LEMON Manuals: Even more car manuals for everyone
Home >> Acura >> 2007 >> MDX >> Repair and Diagnosis >> Engine Performance >> System >> Advanced Diagnostics >> DTC P0627: Fuel Pump Control Module System Malfunction >> Notes

DTC P0627: Fuel Pump Control Module System Malfunction: Notes

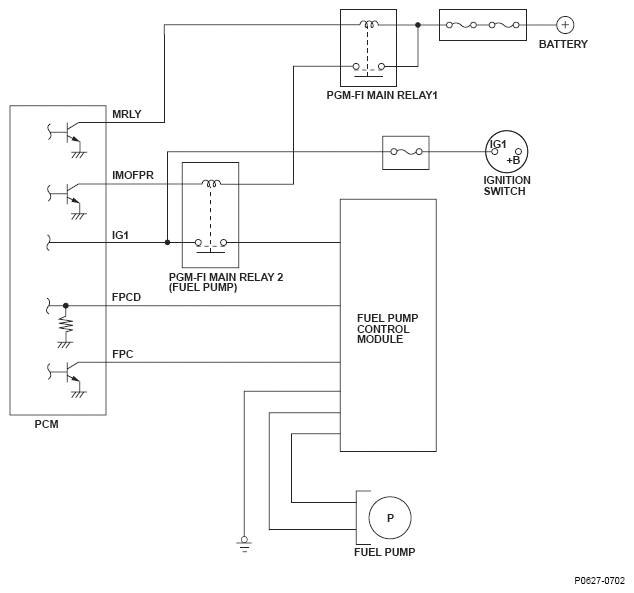
Fig 1: Fuel Pump Control Module System - Circuit Diagram
G04835929