LEMON Manuals: Even more car manuals for everyone
Home >> Acura >> 2007 >> MDX >> Repair and Diagnosis >> Engine Performance >> System >> Advanced Diagnostics >> DTC P0506: Idle Control System RPM Lower Than Expected >> Notes

DTC P0506: Idle Control System RPM Lower Than Expected: Notes

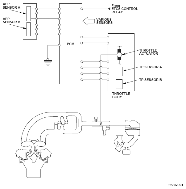
Fig 1: Idle Control System - Communication Diagram
G04835916
Fig 2: Idle Control System Operation Graph
G04818011