LEMON Manuals: Even more car manuals for everyone
Home >> Acura >> 2007 >> MDX >> Repair and Diagnosis >> Engine Performance >> System >> Advanced Diagnostics >> DTC P0344: Camshaft Position (CMP) Sensor Intermittent Interruption (Except PGM-FI System) >> Notes

DTC P0344: Camshaft Position (CMP) Sensor Intermittent Interruption (Except PGM-FI System): Notes

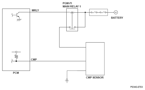
Fig 1: Camshaft Position (CMP) Sensor Intermittent Interruption - Circuit Diagram
G04835876