LEMON Manuals: Even more car manuals for everyone
Home >> Acura >> 2007 >> MDX >> Repair and Diagnosis >> Body & Frame >> Seats >> Driver Position Memory System (DPMS) >> Circuit Diagram - Power Mirror

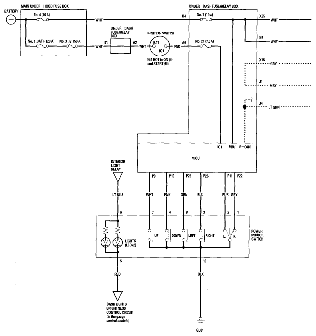
Circuit Diagram - Power Mirror

Fig 1: Circuit Diagram - Power Mirror (1 Of 2)
G05488232Courtesy of AMERICAN HONDA MOTOR CO., INC.
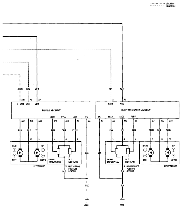
Fig 2: Circuit Diagram - Power Mirror (2 Of 2)
G05488233Courtesy of AMERICAN HONDA MOTOR CO., INC.