LEMON Manuals: Even more car manuals for everyone
Home >> Acura >> 2007 >> MDX >> Repair and Diagnosis >> Accessories & Equipment >> Memory Modules >> Driver Position Memory System (DPMS) >> Circuit Diagram - Power Seat

Circuit Diagram - Power Seat

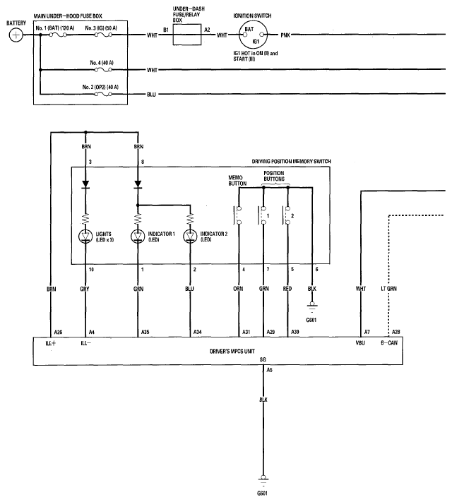
Fig 1: Circuit Diagram - Power Seat (1 Of 4)
G05488228Courtesy of AMERICAN HONDA MOTOR CO., INC.
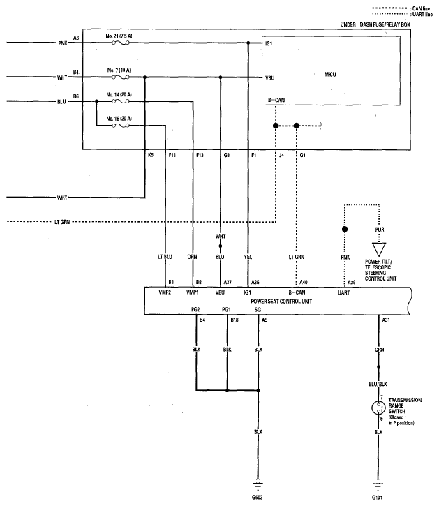
Fig 2: Circuit Diagram - Power Seat (2 Of 4)
G05488229Courtesy of AMERICAN HONDA MOTOR CO., INC.
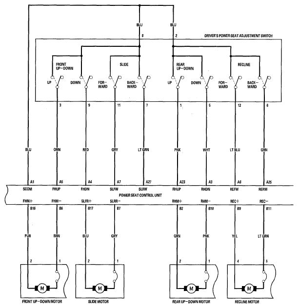
Fig 3: Circuit Diagram - Power Seat (3 Of 4)
G05488230Courtesy of AMERICAN HONDA MOTOR CO., INC.
Fig 4: Circuit Diagram - Power Seat (4 Of 4)
G05488231Courtesy of AMERICAN HONDA MOTOR CO., INC.