LEMON Manuals: Even more car manuals for everyone
Home >> Acura >> 2006 >> TL Standard >> Repair and Diagnosis >> Accessories & Equipment >> Memory Modules >> Driving Position Memory Systems (DPMS) >> Circuit Diagram - Power Mirror

Circuit Diagram - Power Mirror

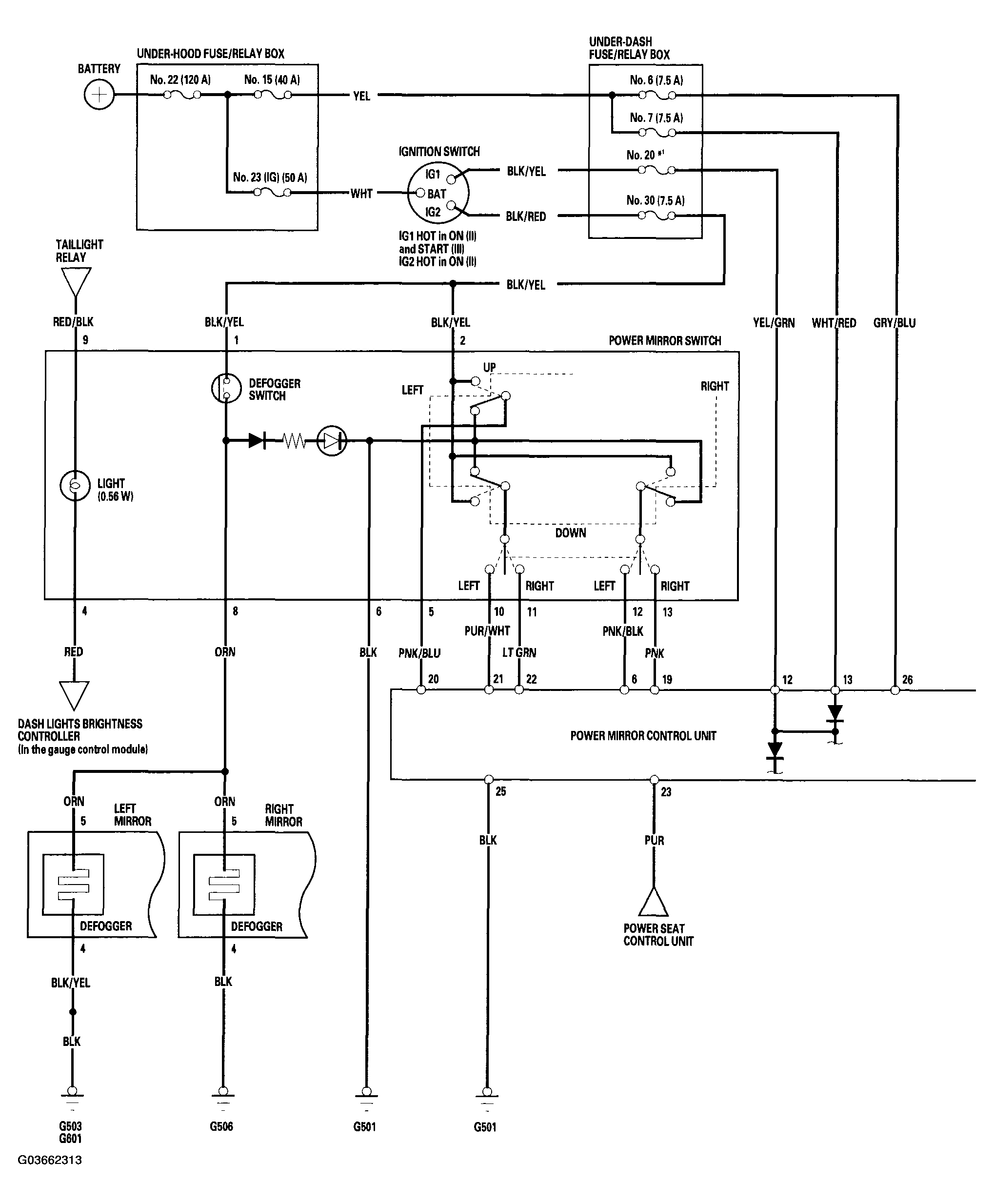
Fig 1: Circuit Diagram - Power Mirror (1 Of 2)
G03662313Courtesy of AMERICAN HONDA MOTOR CO., INC.
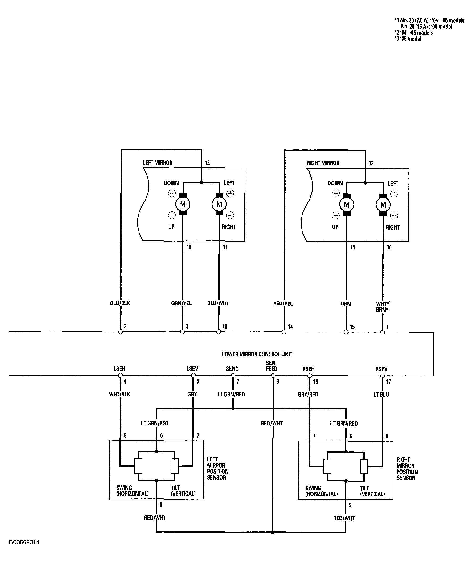
Fig 2: Circuit Diagram - Power Mirror (2 Of 2)
G03662314Courtesy of AMERICAN HONDA MOTOR CO., INC.