LEMON Manuals: Even more car manuals for everyone
Home >> Acura >> 2006 >> RSX Base, Standard >> Repair and Diagnosis >> Engine Performance >> System >> Advanced Diagnostics >> DTC P0812: Open in Transmission Range Switch ATP RVS Switch Circuit >> Notes

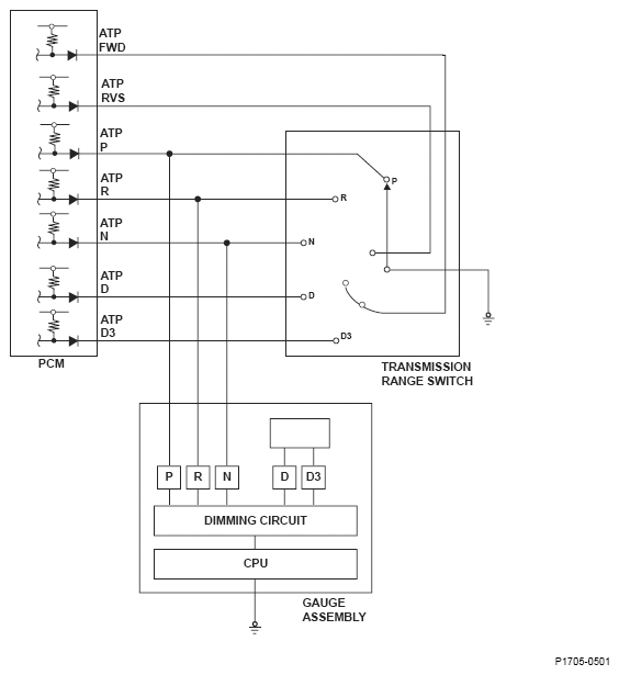
DTC P0812: Open in Transmission Range Switch ATP RVS Switch Circuit: Notes

Fig 1: Transmission Range Switch ATP RVS Switch Circuit Diagram
G04816852

Transmission range switch contact point input matrix

SHIFT LEVER POSITION REFERENCE

Shift lever position Input per switch
P R RVS N D D3 FWD
P O X X X X X X
R X O O X X X X
N X X X O X X X
D X X X X O X O
D3 X X X X X O O
O: Closed X: Open