LEMON Manuals: Even more car manuals for everyone
Home >> Acura >> 2006 >> MDX Base >> Repair and Diagnosis >> Engine Performance >> System >> Advanced Diagnostics >> DTC P0705: Short in Transmission Range Switch Circuit (Multiple Shift-Position Input) >> Notes

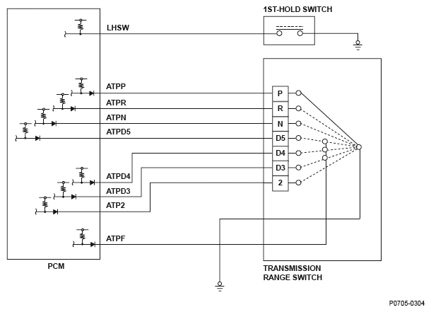
DTC P0705: Short in Transmission Range Switch Circuit (Multiple Shift-Position Input): Notes

Fig 1: Transmission Range Switch Circuit Diagram (Multiple Shift-Position Input)
G04816596
TRANSMISSION RANGE SWITCH CONTACT POINT INPUT MATRIX

Shift lever position Input per switch
P R N D5 D4 D3 2/1 LHSW FWD
P O X X X X X X X X
R X O X X X X X X X
N X X O X X X X X X
D5 X X X O X X X X O
D4 X X X X O X X X O
D3 X X X X X O X X O
2 X X X X X X O X X
1 X X X X X X O O X
O: Closed X: Open