LEMON Manuals: Even more car manuals for everyone
Home >> Acura >> 2006 >> MDX Base >> Repair and Diagnosis >> Engine Performance >> System >> Advanced Diagnostics >> DTC P0506: Idle Control System RPM Lower Than Expected >> Notes

DTC P0506: Idle Control System RPM Lower Than Expected: Notes

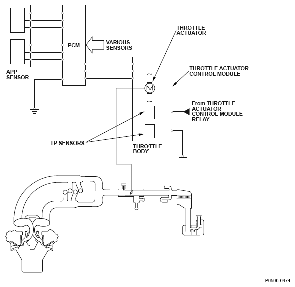
Fig 1: Idle Control System RPM Diagram
G04816584
Fig 2: Idle Control System RPM - Graph
G04818011