LEMON Manuals: Even more car manuals for everyone
Home >> Acura >> 2005 >> TL Standard >> Repair and Diagnosis >> Accessories & Equipment >> Memory Modules >> Driving Position Memory Systems (DPMS) >> Circuit Diagram - Power Seat

Circuit Diagram - Power Seat

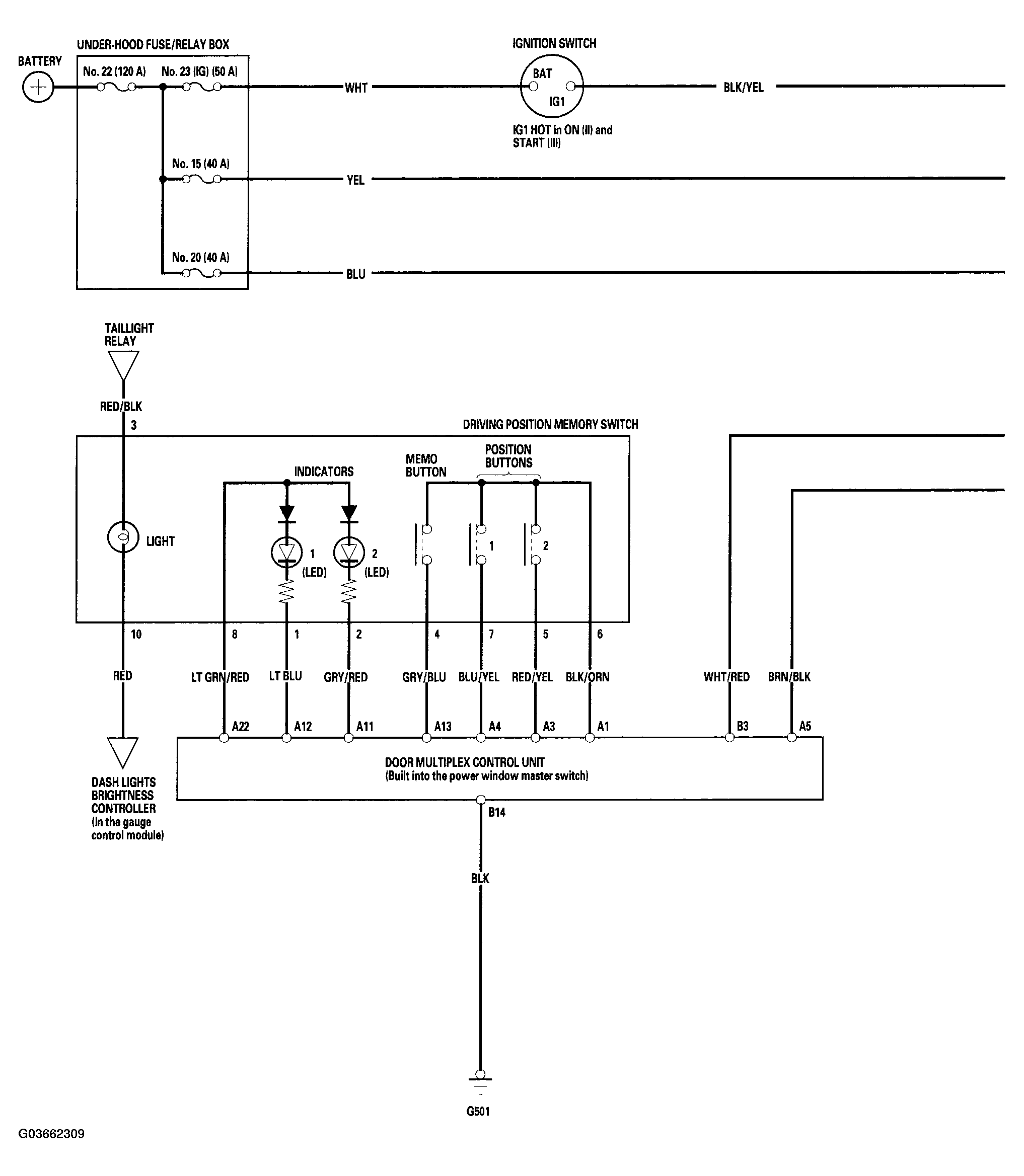
Fig 1: Circuit Diagram - Power Seat (1 Of 4)
G03662309Courtesy of AMERICAN HONDA MOTOR CO., INC.
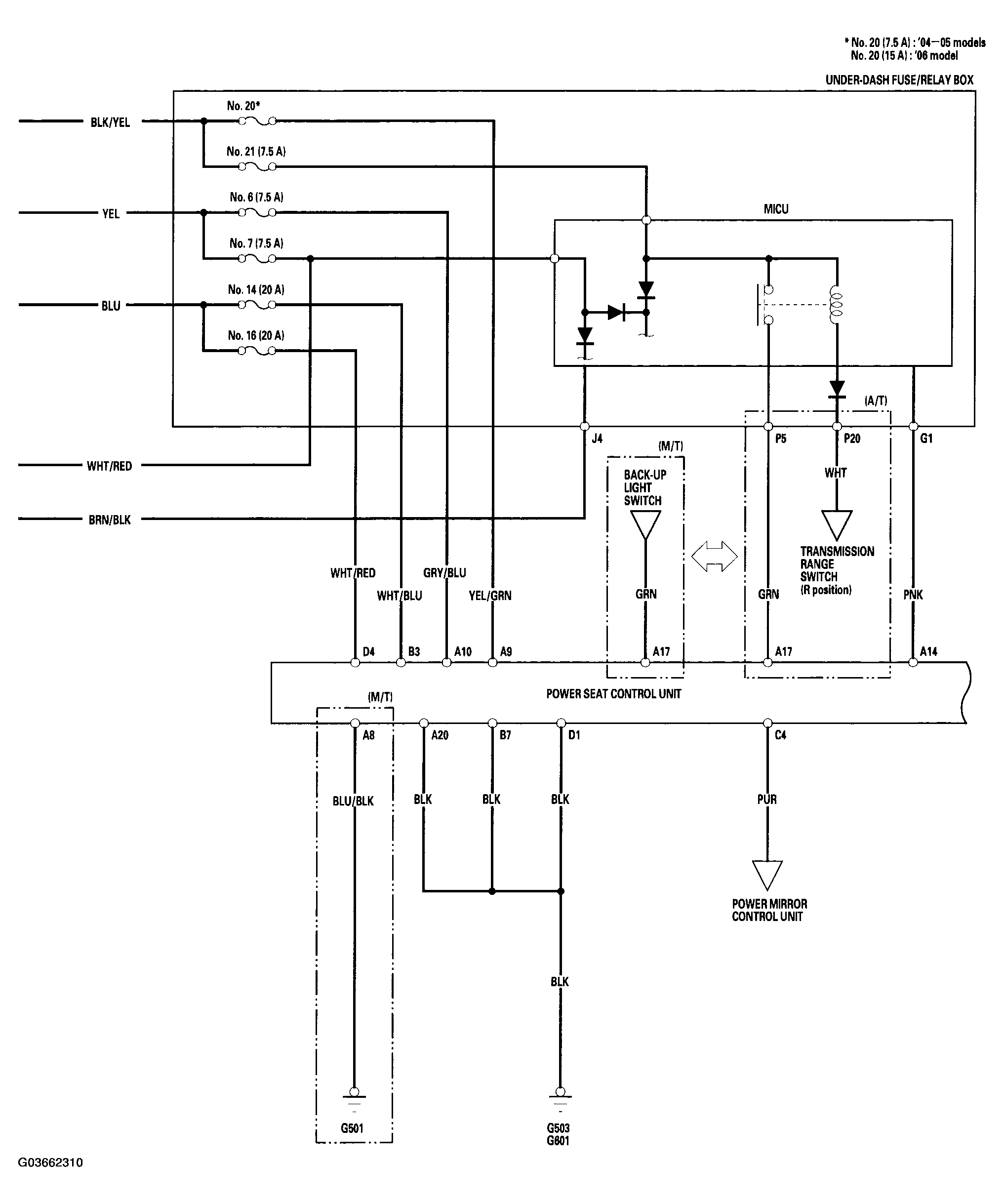
Fig 2: Circuit Diagram - Power Seat (2 Of 4)
G03662310Courtesy of AMERICAN HONDA MOTOR CO., INC.
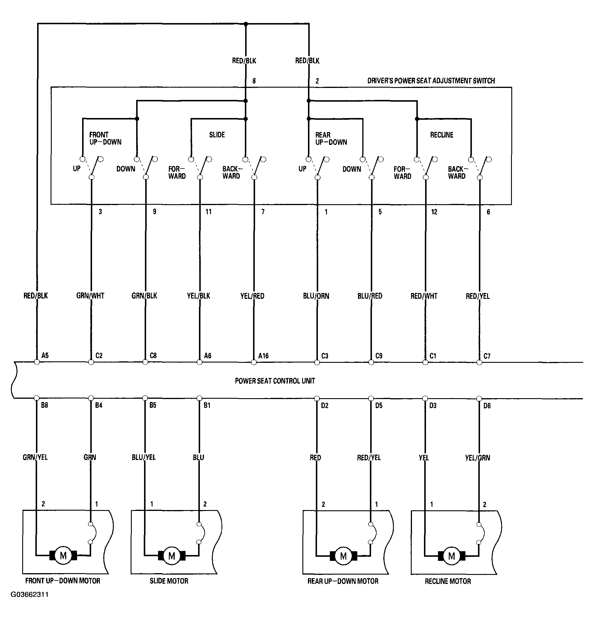
Fig 3: Circuit Diagram - Power Seat (3 Of 4)
G03662311Courtesy of AMERICAN HONDA MOTOR CO., INC.
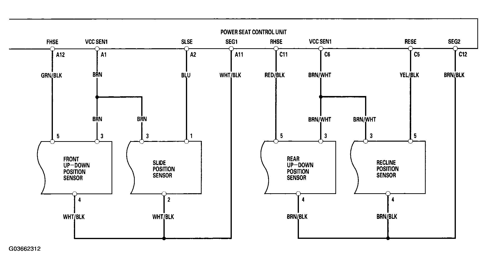
Fig 4: Circuit Diagram - Power Seat (4 Of 4)
G03662312Courtesy of AMERICAN HONDA MOTOR CO., INC.