LEMON Manuals: Even more car manuals for everyone
Home >> Acura >> 2005 >> RL >> Repair and Diagnosis >> Accessories & Equipment >> Memory Modules >> Driver Position Memory System (DPMS) >> Circuit Diagram - Power Tilt/Telescopic Steering

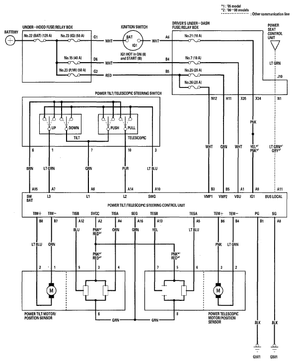
Circuit Diagram - Power Tilt/Telescopic Steering

Fig 1: Power Tilt/Telescopic Steering - Circuit Diagram
G05497252Courtesy of AMERICAN HONDA MOTOR CO., INC.