LEMON Manuals: Even more car manuals for everyone
Home >> Acura >> 2002 >> 3.2CL Base >> Repair and Diagnosis (Single Page) >> Accessories & Equipment >> Anti-Theft Systems >> Multiplex Control Systems >> Multiplex Control System >> Circuit Diagram (Power, Ground, Communication Lines)

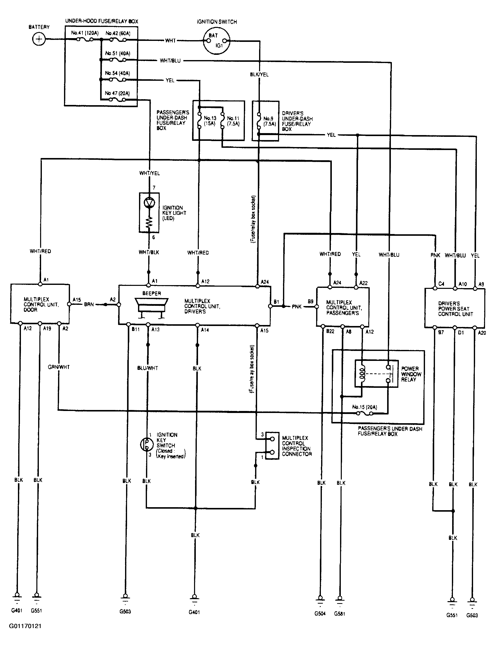
Circuit Diagram (Power, Ground, Communication Lines)

Fig 1: Multiplex Control System Wiring Diagram
G01170121Courtesy of AMERICAN HONDA MOTOR CO., INC.