LEMON Manuals: Even more car manuals for everyone
Home >> Acura >> 1994 >> NSX Standard >> Repair and Diagnosis >> Engine Performance >> System >> Engine Controls - System & Component Testing >> Emission Systems >> Evaporative Emission Controls >> Notes

Evaporative Emission Controls: Notes

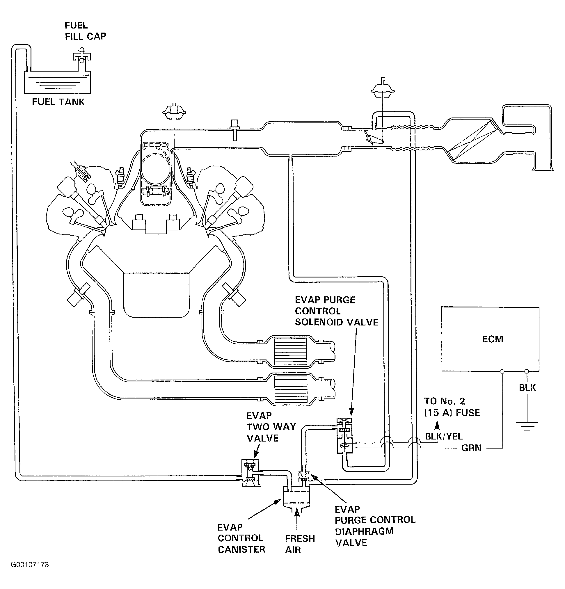
For a illustration of the Evaporative Emission Controls (EVAP) see Fig 1 .

Fig 1: Identifying Components Of The EVAP Controls
G00107173Courtesy of AMERICAN HONDA MOTOR CO., INC.